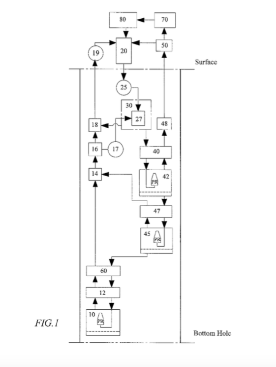
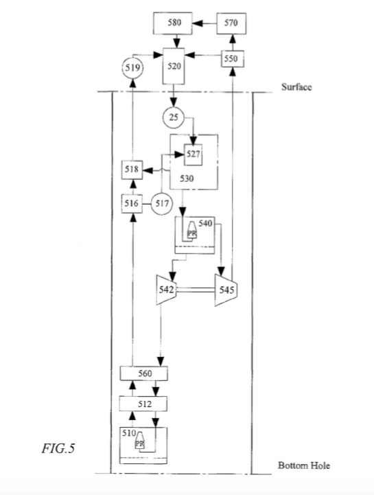
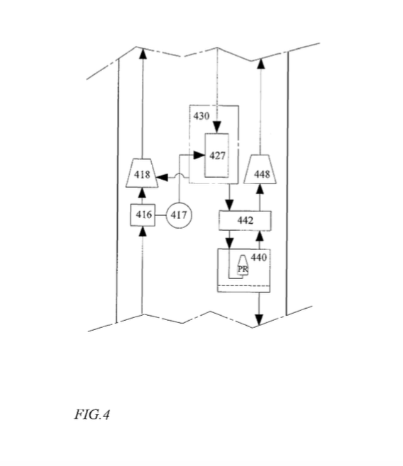
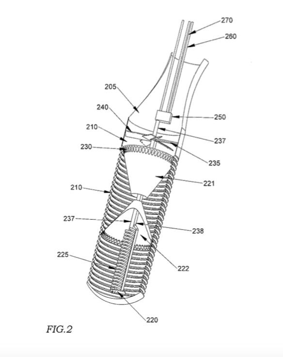
This patent discloses an invention that uses an innovative closed-loop steam cycle with a primary geothermal boiler and a recirculating arrangement to deliver a portion of the enthalpy of that produced steam as a higher temperature and pressure steam to the surface.
Abstract: This invention uses an innovative closed-loop steam cycle with a primary geothermal boiler and a recirculating arrangement to deliver a portion of the enthalpy of that produced steam as a higher temperature and pressure steam to the surface. The geothermal boiler operates at as low a pressure as needed to boil water using heat from relatively low-temperature geologic formations typically found in abandoned oil wells. This system can be deployed in such well bores to extract geothermal energy either as a stand-alone enterprise of in conjunction with tertiary oil recovery efforts. The geothermally-boiled steam provides most or all of the energy to power the process. It is the ability of this system to extract useful heat from below atmospheric boiling temperature heat sources that offers its greatest potential. Read more...
This patent discloses a system that uses a batch method process absorption cooling through a number of separate sealed two compartment containers which are moved physically between a heating area, a cooling area, a storage area and a refrigeration area.
Abstract: The system uses a batch method process absorption cooling through a number of separate sealed two compartment containers which are moved physically between a heating area, a cooling area, a storage area and a refrigeration area. Pressure differentials alone between the two sections of a vessel power refrigerant movement and evaporation of refrigerant. A valve separates a refrigerant collector and evaporator section from an absorber/desorber section allowing the absorbent and refrigerant to be kept separate until needed. This system can be used with eith ammonia water mixtures or with lithium bromide water mixtures. Read more...
